We have 2 new Eltako parts in stock.
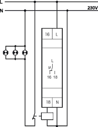
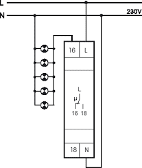
The first part is the PTN12-230V DIN Rail Mounted Emergency Relay.
The relay has a 2 outputs with a Closed and Open Contact. The Relay is 16A so it can be used with and without a contactor as desired.
The relay can be set from 10 Mins up to 180 Mins (3 Hours). There is also 2 ways to trigger the relay, with a direct button on the relay and the terminal marked 18 can be used as an input for a push to mark switch.
Wiring Diagrams are below:




